Практическое применение радиуса и диаметра в геометрии
Радиус и диаметр являются фундаментальными единицами геометрических фигур и обладают широким спектром применений. Рассмотрим несколько примеров использования этих величин в геометрии.
Круг и окружность
Радиус и диаметр относятся к основным параметрам круга и окружности. Радиус — это расстояние от центра круга до любой точки на окружности, а диаметр — это расстояние между двумя точками на окружности, проходящими через центр круга. Радиус и диаметр используются, например, для вычисления площади, длины окружности, а также для определения траектории движения объектов на окружности.
Сфера и шар
Радиус и диаметр также используются для описания сферы и шара. Радиус — это расстояние от центра сферы до ее поверхности, а диаметр — это расстояние между двумя точками на поверхности сферы, проходящими через ее центр. Радиус и диаметр используются для вычисления объема и площади поверхности сферы и шара.
Геометрические фигуры
Радиус и диаметр используются также для определения размеров различных геометрических фигур, таких как треугольники, квадраты, прямоугольники и другие. Например, в круге можно провести диаметр, который будет являться диагональю вписанного в этот круг квадрата.
В чём их отличия
На поверхность изделий наносится специальная маркировка. Она является универсальной для всех типов и размеров.
Около десятка буквенных и цифровых условных обозначений дают полную характеристику специалистам и простым автолюбителям. По надписям можно определить:
- Каким методом изготовлен.
- Диаметр осевого отверстия.
- Размер посадочной части для шины в дюймах.
- Количество и диаметр отверстий для крепежа.
Одним из параметров среди прочих является диаметр. Например, для R15 обозначается цифровым значением в дюймах – 15. Латинская буква «R» обозначает радиальность шины. (Почти все автошины сегодня выпускаются именно радиальной конструкции). Значит, диск R15 имеет диаметр меньше, чем R16 ровно на 1 дюйм (2,54 см).
РАДИУС — это… Что такое РАДИУС?
Радиус — окружности У этого термина существуют и другие значения, см. Радиус (значения). Радиус (лат. … Википедия
Радиус-FM — Страна Беларусь … Википедия
РАДИУС — муж., лат. полупоперечник круга, полуось шара, луч, нога, которою круг очерчен; черта или мера от остья (средоточия, центра) до обода. Радиус вектор, полупоперечник долгокруга (эллипса). | Радиус, лучевая кость; она лежит рядом с локтевою и с нею … Толковый словарь Даля
РАДИУС — РАДИУС, радиуса, муж. (лат. radius луч, спица). 1. Прямая, соединяющая точку центра с любой точкой окружности или поверхности шара (мат.). 2. перен. Величина охвата чего нибудь, сфера распространения чего нибудь (по отношению к какому нибудь… … Толковый словарь Ушакова
радиус — закругленной части режущей кромки инструмента. [http://www.manual steel.ru/eng a.html] Тематики металлургия в целом EN nose radius … Справочник технического переводчика
РАДИУС — (лат. radius букв. спица колеса, луч), отрезок, соединяющий какую либо точку окружности или сферы с центром, а также длина этого отрезка … Большой Энциклопедический словарь
РАДИУС — РАДИУС, в геометрии расстояние или прямая от центра окружности или сферы к любой точке ОКРУЖНОСТИ или поверхности сферы … Научно-технический энциклопедический словарь
РАДИУС — РАДИУС, а, муж. 1. В математике: отрезок прямой, соединяющий центр шара или круга с любой точкой сферы или окружности, а также длина этого отрезка. 2. перен. Охват, область распространения чего н. Р. действия авиации. | прил. радиусный, ая, ое… … Толковый словарь Ожегова
РАДИУС — (стар.) градшток (см.). Самойлов К. И. Морской словарь. М. Л.: Государственное Военно морское Издательство НКВМФ Союза ССР, 1941 … Морской словарь
радиус — сущ., кол во синонимов: 2 • критрадиус (1) • отрезок (12) Словарь синонимов ASIS. В.Н. Тришин. 2013 … Словарь синонимов
Использование радиуса и диаметра в быту
Радиус:
Круги на тортах: При заказе торта необходимо указать радиус кругов, чтобы было удобнее разрезать торт на равные кусочки.
Круги на коврах: При выборе ковра для комнаты необходимо знать радиус, чтобы подобрать подходящий размер ковра и не оставлять непокрытые участки пола.
Диаметр:
Колеса автомобилей: При выборе новых колес для автомобиля необходимо знать диаметр шин, чтобы они точно поместились на диски.
Посуда: Диаметр кастрюль и сковородок важен при выборе крышек и кухонных аксессуаров, чтобы они подходили по размеру и можно было готовить безопасно.
Обои:
Размер полотен: При выборе обоев необходимо знать размеры комнаты и диаметр каждого элемента, чтобы подобрать нужное количество рулонов обоев.
Узор на обоях: Диаметр узора также важен при выборе обоев, чтобы избежать попадания среза узора на видимом месте.
- В быту радиус и диаметр используются при выборе мебели, зеркал, картин и других предметов.
- В производстве радиус и диаметр используются в инженерии и строительстве для проектирования и изготовления машин, деталей и конструкций.
Основные отличия
Радиус и диаметр — два основных понятия, связанных с геометрией окружностей. Однако они имеют значительные отличия друг от друга.
Радиус — это расстояние от центра окружности до ее края. Он является половиной диаметра и выражается в одной и той же единице измерения, что и диаметр.
Диаметр — это расстояние между двумя точками на краю окружности, через ее центр. Диаметр равен удвоенному радиусу.
Таким образом, основное отличие между радиусом и диаметром заключается в их величине и способе измерения. Радиус является половиной диаметра и используется для определения размеров окружности, в то время как диаметр — это расстояние между точками на краю окружности через ее центр.
Кроме того, радиус и диаметр имеют разное применение в математике и физике. Радиус используется для расчета длины окружности, площади и объема шара. Диаметр часто используется для измерения диаметральных размеров, таких как диаметральный размер отверстия или диаметральный размер детали.
Таким образом, радиус и диаметр имеют различные концептуальные и практические отличия, которые важно учитывать при работе с окружностями в математике, физике и других науках
Радиус и диаметр в ежедневной жизни
Радиус
Радиус – это расстояние от центра окружности до ее края. Концепция радиуса очень распространена в ежедневной жизни и используется в различных областях, таких как геометрия, физика, строительство и другие.
Например, при ремонте дома радиус используется для оценки размера мебели и других предметов, чтобы они соответствовали размерам комнаты. Также радиус используется при построении различных объектов, таких как дороги, шоссе и другие, чтобы определить их кривизну.
Диаметр
Диаметр – это расстояние между двумя крайними точками на окружности, проходящими через ее центр. Диаметр используется в ежедневной жизни не так часто, как радиус, но это понятие все равно имеет свое применение.
Например, при выборе одежды диаметр может использоваться для определения размера головного убора, в частности, для шляп и кепок. Также диаметр может быть полезен в конструкторской деятельности и при создании различных механических элементов, где нужно точно определить размеры и расстояния.
Вывод: хотя понятия радиуса и диаметра имеют различные применения в ежедневной жизни, они все еще имеют большое значение в различных областях науки и производства. Их различия в определении и использовании подчеркивают их уникальность и взаимосвязь между собой.
Маркировка
Для правильного выбора дисков 17 радиуса на авто, рекомендуется обратить внимание на следующие немаловажные моменты, благодаря которым и можно достичь поставленной цели в плане практичного и комфортного применения

Во избежание любого дискомфорта при использовании автомобильных дисков, рекомендуется обратить внимание на определеннее технические параметры, на основе которых и нужно делать свой выбор. Специалисты рекомендуют внимательно отнестись к следующим показателям относительно маркировки дисков:
- Тип диска в зависимости от материала изготовления.
- Монтажный диаметр диска.
- Количество и размер крепежных отверстий для удобной последующей установки.
- Ширина диска.
- Вылет.
- Размер ступичного отверстия.
- Форма крепежных мест для удобного выбора болтов и инструментов для работы.
- Наличие или отсутствие хампов.
На первый взгляд, кажется, что это сложные параметры, рассмотрение которых будет под силу не каждому автомобилисту, но, как показывает практика, профессиональные магазины предоставляют возможность легко выбрать диски за счет продуманной системы консультации со стороны высококвалифицированных специалистов. Помогает и детальное описание дисков, благодаря чему вопрос выбора не создает дополнительных трудностей.
Технический параметр
Описание
Монтажный диаметр
Здесь нужно отметить простую закономерность: если это R17, то в таком случае диск имеет размер в 17 дюймов
Несмотря на букву R, на практике она говорит не о радиусе, а о посадочном размере, поэтому при выборе важно учитывать данный параметр. Количество и диаметр монтажных отверстий
В простонародье показатель именуется как «разболтовка»
Как правило, предоставляется 4-6 отверстий, но иногда может быть в количестве трех, поэтому обеспечивается возможность выбрать то, что соответствует индивидуальным требованиям.
Ширина диска
На шине такой параметр обозначается буквой J, поэтому при выборе важно внимательно с ним ознакомиться, чтобы не столкнуться с неудобствами при последующем монтаже шины.
Вылет диска
Это показатель расстояния между привалочной поверхностью крепления диска к ступице. Проще говоря, это расстояние между внутренними полосками диска, благодаря которым обеспечивается комфорт при монтаже.
Диаметр ступичного отверстия
Эта цифра, которая не требует особого рассмотрения, поскольку описывает размер центрального крепежного отверстия, благодаря которому обеспечивается прочное крепление в колесной системе.
Конструкционные особенности крепежных отверстий
Этот показатель нужно учитывать для того, чтобы было проще подобрать крепежные болты для последующей установки диска. Есть разные модели, поэтому требуется индивидуальное отношение к данному выбору.
Наличие хампов
Хампы – это специальные выступы на поверхности диска, которые предоставляют возможность прочно установить бескамерные шины, обеспечив при этом ее прочную посадку и высокую маневренность автомобиля.
Но кроме этого, важно учесть качество изготовления диска, а именно, материал, применяемый для его создания. Учитывается и производитель, так как непосредственно от него зависят основные технологические особенности, поскольку каждая компания имеет свои определенные свойства рабочего плана
Кроме этого, для каждого автовладельцы неотъемлемым является желание получить сочетание приемлемой стоимости и высокого качества, чтобы исключить какие-либо финансовые переплаты.

Автомобильные диски r17 – это нештатная модель для внедорожников и легковых автомобилей. На сегодняшний день предоставляются разные модели на потребительском рынке, поэтому на плечи покупателя возлагается необходимость во внимательном рассмотрении каждого варианта для того, чтобы избежать каких-либо трудностей при последующей эксплуатации.
Разница между радиусом и диаметром
Радиус и диаметр — два важных термина в геометрии, которые используются в измерении кругов и сфер. Радиус — это расстояние от центра окружности или сферы до любой точки на ее поверхности. Диаметр же — это расстояние от одной стороны круга или сферы через ее центр на другую сторону.
Одной из ключевых различий между радиусом и диаметром является их длина. Диаметр всегда больше радиуса в два раза. Если радиус равен 5 см, то диаметр будет равен 10 см. Это связано с тем, что диаметр занимает всю ширину круга или сферы, в то время как радиус является только половиной диаметра.
Важно понимать, как использовать их вместе. Например, для нахождения диаметра окружности можно умножить ее радиус на 2
И наоборот, радиус можно получить, разделив диаметр на 2. Радиус и диаметр также используются при вычислении длины окружности и площади круга.
Кроме того, радиус и диаметр являются важными параметрами при рассмотрении различных физических явлений. Например, круглые объекты, такие как шары и колеса, могут вращаться вокруг своей оси, которая проходит через центр объекта и перпендикулярна его радиусу или диаметру.
Нанесение размеров согласно ГОСТу
Любой чертеж строится согласно определенным размерам, с учетом принятого масштаба, а также в процессе оформления все имеющие значения размеры выносятся с точностью до миллиметра. По типу все размеры делятся на линейные и угловые. К первым относятся размеры прямонаправленных участков, а ко вторым — размеры, измеряемые в градусах, секундах и минутах. Радиусы и диаметры также относятся к размерам, которые указываются на чертежах. Поэтому их оформление должно соответствовать требованиям ГОСТа.
До 2012 года на территории Российской Федерации действовал ГОСТ 2 307.608 «Нанесение размеров и предельных отклонений», который был заменен на ГОСТ 2.307.2011. Оба документа имеют схожую структуру, но последняя версия стандарта учитывает изменения, которые произошли с начала цифровизации. Среди определений можно встретить «электронную модель изделия» и «электронный макет». Оба документа определяют правила нанесения размеров и максимальные допуски отклонений.
Оба ГОСТ требуют минимального, но достаточного количества размеров. Например, один из размеров замкнутой цепочке наносится справочно, отмечается с помощью знака *.
Рисунок 1. ГОСТ 2.307.2011
Как правильно пишется слово РАДИУС. Ударение в слове РАДИУС
ра́диус
Делаем
Карту слов лучше вместе
Привет! Меня зовут Лампобот, я компьютерная программа, которая помогает делать
Карту слов. Я отлично
умею считать, но пока плохо понимаю, как устроен ваш мир. Помоги мне разобраться!
Я стал чуточку лучше понимать мир эмоций.
Вопрос: отморозить — это что-то нейтральное, положительное или отрицательное?
Отрицательное
Предложения со
словом «радиус»:
- Все знали, что этот немецкий истребитель обладает весьма ограниченным радиусом действия.
- Ведь радиус поражения атомного оружия растёт согласно кубу мощности, вот и считайте.
- Её тело было не в состоянии вынести такой перегрузки, и мне пришлось спускаться постепенно, закладывая виражи большого радиуса
. - (все
предложения)
Слово
«радиус» входит в списки слов:
Радиус и диаметр: что это?
Радиусом называется расстояние от центра круга до его любой точки. Круг — это геометрическая фигура, в которой все точки равноудалены от ее центра. Радиус обозначается буквой r.
Диаметр же, является наибольшим расстоянием между двумя точками на окружности. Диаметр — это двойной радиус, то есть d=2r. Он проходит через центр круга и делит его на две равные части.
Отношение длины окружности к диаметру — это число Пи (π), которое равно 3,14. Таким образом, можно получить значения длины окружности или диаметра по радиусу, или наоборот, рассчитать радиус на основе диаметра или длины окружности.
Важно понимать, что радиус и диаметр являются основными характеристиками круга и используются в геометрии для расчета различных параметров и свойств фигуры. Радиус и диаметр не могут быть больше или меньше друг друга, они связаны уравнением d=2r, и всегда будут зависимы друг от друга
R15 против R16: что лучше?
Одна из незатухающих тем дискуссий на форумах автолюбителей о том, какой размер дисков выбрать для своего автомобиля. Ответ можно поискать и там, только не нужно увлекаться. Нужно помнить 2 простые вещи:
- Сколько людей, столько и мнений.
- Больше всего на форумах любят делиться «опытом» водители со стажем до 3 лет.
На основе информации из профессиональных источников можно всё же прийти к определённым выводам.
В чём проигрывают диски большего диаметра
Переходить на диски большего диаметра имеет смысл на автомобиле с мощностью двигателя свыше 110-120 л.с. Мотор с меньшими показателями отреагирует на замену снижением динамики при разгоне с места или ускорении на ходу.
Вес R16 при прочих равных условиях больше. Нагрузка на элементы подвески возрастает, что снижает их срок службы. Плохие дороги ускоряют процесс.
Низкопрофильная резина амортизирует слабее, подвеска становится жёстче. Шум колёс возрастает. Стоимость комплекта с автошинами вырастает очень существенно.
Не всё так плохо. Положительные моменты
Самый частый элемент автомобильного тюнинга – колёсные диски. Выглядят они действительно привлекательнее. Устойчивее становится поведение автомобиля на поворотах и на ровной дороге.
Тормозной путь на сухой и сырой дорогах короче, хотя и незначительно (от 1,5 до 5 %). Значительно шире линейка товара для автошин. Расход бензина практически не меняется.
Радиус и другие величины, связанные с диаметром
Главной величиной, которая неизменно связана с диаметром, является радиус.
Радиус – это расстояние от центра окружности до любой точки на дуге окружности. Соответственно, радиусом также называют и длину этого отрезка.
Радиус обозначается буквой «R» или «r». И он всегда равен половине диаметра. В математике это уравнение записывают как:
D = 2R или R = D/2

Еще одна важная величина – длина окружности. Это расстояние всей дуги окружности. Оно обозначается буквой «С». Чтобы рассчитать ее, нужно пользоваться простой формулой:
С = 2πR или С = πD
Где «π», как многие знают, это математическая константа. И считать ее принято как 3,14, хотя после запятой там бесконечное количество знаков.
И наконец, еще одна величина – площадь окружности (круга). Это размер всего, что находится внутри ее границ. Обозначается она буквой «S». И чтобы ее вычислить, опять же надо воспользоваться определенной формулой:
S=πR²

Соответственно, эти формулы можно и перевернуть. То есть, зная длину или площадь окружности, всегда можно высчитать ее диаметр.
Какой размер выбрать в разных случаях
При выборе размера радиуса или диаметра, очень важно учитывать что именно нужно измерить или вычислить. В случае, если требуется рассчитать площадь круга, необходимо знать радиус, а не диаметр
В свою очередь, при вычислении длины окружности, ситуация меняется: нужно знать диаметр, а не радиус.
Выбор размера также зависит и от области применения. Например, при работе с компьютерными играми, где вступает в силу Графика, большинство игровых движков используют концепцию радиуса, чтобы измерить размеры различных объектов.
- Для медицинских приборов, которые измеряют размеры мелких молекул, используются нанометры (нм)
- Компасы и логарифмические линейки работают на основе деления радиуса на количество градусов
- В геометрических расчетах используются сантиметры и метры
Правильный выбор размера также зависит от требований стандартов, используемых в процессе производства и определения конечного продукта. Таким образом, всякий раз, когда нужно выбрать радиус или диаметр, необходимо учитывать его конечное применение и требования к измерениям.
Добавляем знак диаметра в Microsoft Word

В текстовом редакторе MS Word есть довольно большой набор специальных символов, о котором, к сожалению, знают далеко не все пользователи этой программы. Именно поэтому, когда возникает необходимость добавить тот или иной символ, знак или обозначение, многие из них не знают, как это сделать. Одним из таких символов является обозначение диаметра, которого, как вы знаете, нет на клавиатуре.
Урок: Как добавить градусы Цельсия в Ворде
Добавление знака “диаметр” с помощью специальных символов
Все специальные символы в Word находятся во вкладке “Вставка”, в группе “Символы”, к которой нам и необходимо обратиться за помощью.
1. Установите курсор в том месте текста, где нужно добавить значок диаметра.
![]()
2. Перейдите во вкладку “Вставка” и нажмите там в группе “Символы” на кнопку “Символ”.
![]()
3. В небольшом окошке, которое развернется после нажатия, выберите последний пункт — “Другие символы”.

4. Перед вами откроется окно “Символ”, в котором нам и предстоит найти обозначение диаметра.

5. В разделе “Набор” выберите пункт “Дополненная латиница-1”.

6. Кликните по значку диаметра и нажмите кнопку “Вставить”.
7. Выбранный вами специальный символ появится в документе в указанном вами месте.
![]()
Урок: Как поставить галочку в Ворде
Добавление знака “диаметр” с помощью специального кода
Все символы, которые находятся в разделе “Специальные символы” программы Microsoft Word имеют свое кодовое обозначение. Если вы знаете этот код, вы можете добавлять необходимый символ в текст значительно быстрее. Увидеть этот код можно в окне символ, в его нижней части, предварительно кликнув по символу, который вам необходим.

Итак, чтобы добавить знак “диаметр” с помощью кода, выполните следующее:
1. Установите курсор в том месте, где необходимо добавить символ.
2. Введите в английской раскладке комбинацию “00D8” без кавычек.
![]()
3. Не перемещая указатель курсора с установленного места, нажмите клавиши “Alt+X”.
4. Знак диаметра будет добавлен.
![]()
Урок: Как поставить кавычки в Word
На этом все, теперь вы знаете, как вставить значок диаметра в Ворд. Используя набор специальных символов, доступных в программе, вы также можете добавлять в текст и другие необходимые знаки. Желаем вам успехов в дальнейшем изучении этой продвинутой программы для работы с документами.
Опишите, что у вас не получилось. Наши специалисты постараются ответить максимально быстро.
Как показать радиус отверстия
На машиностроительных, строительных, сборочных чертежах зачастую приходиться изображать отверстия, к примеру, отверстия трубопроводов, имеющих внутреннюю резьбу или же болты, которые имеют наружную резьбу. В этом случае также используется радиус, который позволяет определить точный размер элемента. Малый размер может не позволить уместить всю информацию внутри изображения, поэтому все указания и полки размещают снаружи.
На одном листе показывают вид на разные плоскости проекции, на плане трубы показывается ось, на виде справа или слева, отверстие и его радиус или диаметр.
Рисунок 5. Изображение радиуса отверстия на чертеже
Сравнение размеров: радиус или диаметр?
Радиус
Радиус это расстояние от центра окружности или сферы до ее края. Он является половинным значением диаметра.
Например, если диаметр окружности равен 10 см, то радиус будет равен 5 см.
Радиус используется в различных вычислениях, таких как нахождение площади или длины окружности.
Диаметр
Диаметр это расстояние между двумя точками на краю окружности или сферы через ее центр.
Например, если диаметр окружности равен 10 см, то радиус будет равен 5 см.
Диаметр используется для измерения размеров окружностей и сфер, а также для решения задач в геометрии.
- Радиус всегда меньше диаметра, так как он является половиной диаметра.
- Радиус используют в вычислениях площади и длины окружности, в то время как диаметр используют для измерения размеров окружностей и сфер.
| Показатель | Радиус | Диаметр |
|---|---|---|
| Определение | Расстояние от центра до края | Расстояние между двумя точками на крае через центр |
| Значение | Половина диаметра | В два раза больше радиуса |
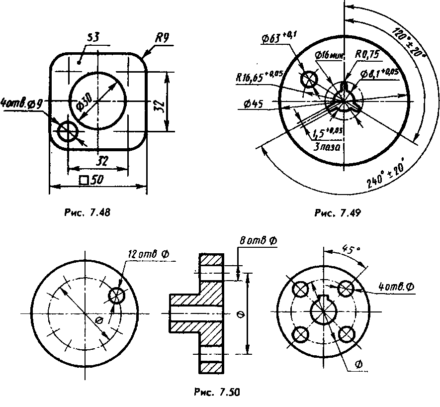
Радиусы и диаметры на чертеже по ГОСТу
Традиционно, в пояснительных записках и на чертежах используется условное обозначение радиуса латинской буквой R. После этого символа идет размерное число.
Отрезок начинается от центра окружности, на конце отрезка рисуется стрелка, направленная к самой окружности.
Бывают случаи, когда значение радиуса велико и поэтому линию приближают к дуге и показывают с изломом под 90 градусов.
Также зачастую исполнителю нет необходимости показывать центр окружности, особенно если размер очень большой и составляет несколько метров, поэтому сам отрезок не доводят до центра.
Рисунок 2. Радиусы и диаметры на чертеже по ГОСТу
Подбор шин для дисков
Можно ли резину с 15 – дюймовых дисков переставить на вновь купленные 16 – дюймовые? Нужно разобраться.
Автошины имеют собственную маркировку с нанесёнными на боковину параметрами. Чтобы ответить на вопрос нужно знать один из них.
Например, 195/65 R15. Здесь:
- 195 – ширина профиля, в мм.
- 65 – высота, в %.
- R – радиальный корд.
- 15 – диаметр, в дюймах.
Высота профиля в данном случае равна 65%. Это отношение его высоты к ширине. При одинаковой ширине, чем больше показатель – тем выше шина. Также влияет изменение ширины профиля при одинаковой высоте. Шина с параметрами 205/65 R15 будет выше, чем покрышка с размерами 195/65 R15. Это следует учитывать, чтобы колесо вписалось в колёсную арку.
Для самостоятельного подбора автошин можно использовать шинный калькулятор.
Теперь знаний будет достаточно, чтобы знать всё, что может ждать автомобилиста при переходе на диски большего диаметра. Главное – не отклониться от диаметра колеса, указанного в сопутствующей документации завода-производителя.
Остаётся вопрос: как меняется комфорт и управляемость движением автомобиля после замены R15 на R16? Как это влияет на безопасность его эксплуатации?

Как начертить радиус на чертеже
Чтобы начертить радиус на листе необходимо воспользоваться таким инструментом как циркуль. С помощью линейки циркулем отмеряют радиус, размер которого известен заранее. Устанавливают острие циркуля в центр будущей окружности и проводят сектор, часть дуги или окружность целиком в зависимости от условий задачи. Обратным действием можно найти радиус, зная где находится центр окружности. Определить диаметр можно, зная радиус круга, для этого нужно его значение увеличить в два раза. Также, зная длину контура окружности, можно вычислить радиус или диаметр через число Пи.
При построении радиуса на компьютере воспользуемся соответствующим инструментом на панели, обычно можно начертить окружность по заданному центру и значению, начертить сектор или дугу ограничив ее на плоскости. Вводя нужные значения и указав точку на плоскости, программа сама построит окружность по радиусу. Чтобы соединить отрезки с помощью радиуса используется инструмент «Сопряжение». Необходимо выбрать отрезки, а программа сама подберет нужный радиус. Эта функция очень удобна, когда необходимо соединить два элемента, располагающихся под углом, к примеру стены дома на плане или полку и стенку двутавра на чертеже.
Радиусы можно начертить в любой программе векторной графики, начиная от Корел Дро, заканчивая Автокадом, Ревитом, Компасом и Архикадом. Линейный размер наносится после того, как сам элемент вычерчен, через инструмент «Размеры», расположенный в основном меню. Через свойства можно изменить высоту текста, тип оформления концов отрезков, толщину и прочее.
Рисунок 3. Как начертить радиус на чертеже
Размеры радиуса и диаметра
Радиус — это расстояние от любой точки окружности до центра окружности.
- Радиус всегда положительный.
- Радиус является половиной диаметра.
- Если диаметр известен, то радиус можно вычислить по формуле: R = d/2
Диаметр — это расстояние между любыми двумя точками на окружности, проходящими через ее центр.
- Диаметр всегда больше радиуса.
- Диаметр в два раза больше радиуса.
- Если радиус известен, то диаметр можно вычислить по формуле: d = 2R
Таким образом, радиус и диаметр являются двумя основными параметрами окружности, которые взаимосвязаны между собой. Радиус является половиной диаметра, а диаметр в два раза больше радиуса.
| Параметр | Значение |
|---|---|
| Радиус | Всегда меньше диаметра |
| Диаметр | Всегда больше радиуса и в два раза |
Ответы на вопросы
В каком случае допускается не показывать радиус?
Радиус не показывают, если размер скругления в масштабе чертежа равен или менее 1 мм.
Рисунок 7. Пример обозначения радиусов на чертеже
Как можно упростить обозначение одинаковых радиусов?
Зачастую детали выполняются симметричными, и их скругления имеют одинаковые значения. В этом случае обозначается стрелка для каждого скругления, но все они имеют общую полку, на которой выполняется простановка размерного числа.
Рисунок 8. Одинаковые радиусы
Нужно ли писать единицу измерения после обозначения радиуса?
Радиус, так же, как и ширина, толщина, длина или высота изделия относится к линейным размерам. Согласно требованиям ГОСТа, по умолчанию их наносят в миллиметрах. Соответственно других единицы измерения указывают, если размер определяется в метрах, сантиметрах, дециметрах, футах или иных единицах.
В каких ситуациях появляется потребность символа диаметра?
Существует масса ситуаций, при которых появляется такая потребность вставить знак “Ø” в нужный электронный файл. Для примера, он может потребоваться при составлении чертежей, детальном оформлении прайс-листов, оформлении рекламных продуктов или обозначения трубных изделий или запорной арматуры. Ученики, студенты или работники всяческих учреждений, предприятий либо организаций повседневно используют данный знак в процессе своей учебной, либо трудовой деятельности.
Перечислять примеры применения значка диаметра можно бесконечно долго, но и так понятно, что в некоторых ситуациях без него приходится достаточно трудно либо не комфортно. Именно поэтому далее по тексту мы рассмотрим три способа вставки символа диаметра в электронный документ.
Первый способ
Самым популярным способом можно назвать использование кодов ASCII. Он может быть осуществлен непосредственно самой ОС Windows
Для его реализации важно знать код – “0216”, который в таблице кодов ASCII распознается как знак “Ø”. Алгоритм ввода будет таковым:
Выбираем язык ввода “английский”.
Следим за тем, чтобы клавиша “Num Lock” была включена, если сверху кнопки она не горит, то нужно ее включить.
После чего заходим в наше приложение. Следующим действием наводим наш указатель “мыши” (стрелочку) на рабочую зону и кликаем один раз левой кнопкой
Курсор должен замигать.
Теперь нажимаем клавишу “Alt” (неважно с какой стороны, слева или справа). После чего, не отжимая ее, на клавиатуре справа нажимаем 02 16
Теперь отпускаем все клавиши, после чего появится значок диаметра.
Главное достоинство данного способа это то, что он универсален. Он может работать во многих существующих приложениях. Особенность способа состоит в том что сам символ, в качестве исходника не нужен. Недостаток данного метода в том, что всегда нужно знать код.
Второй способ
Программа Word и другие приложения взаимозаменяемый метод ввода “Ø” связан с определенным набором таких программных приложений, как: Microsoft Office Word, Excel и других. Для примера введем знак диаметра в ” Word”. В других случаях алгоритм ввода будет аналогичным. Во время работы заходим на панель инструментов на вкладку “Вставка”. Она расположена в верхней части экрана между закладками “Главная” и “Разметка страницы”. Наводим на эту вкладку курсор мыши и кликаем один раз левой кнопкой. После этого в правой части экрана видим панель “Символы”. Там выбираем строку «Символ» и в появившемся списке нажимаем “Другие символы”. Все эти действия осуществляются правой кнопкой мышки.
Теперь можно наблюдать открывшееся окно вставки. Находим нужный нам знак “Ø” за счет прокрутки найденных символов. В этом нам поможет колесо мыши. После удачного поиска “Ø”, выделяем его одним нажатием левой кнопки мыши и кликаем кнопку “Вставить”. После этого закрываем окно. Затем наверняка появиться значок диаметра в Word (в рабочей зоне). Отрицательная сторона данного способа в том, что он будет работать только в одной группе программных продуктов. Поэтому везде его применить невозможно.
Третий способ
Так же одним из способов вставки “Ø” является применение буфера обмена и использование функций “Копировать” и “Вставить”. Буфер обмена это определенная часть памяти компьютерной операционной системы, которая предназначена для временного хранения информации. Сначала требуется найти где-нибудь такой символ.
В качестве примера, можно значок диаметра вставить в ворд (word) в соответствии с вышеизложенным алгоритмом. После чего его выделяем и копируем (по желанию можно использовать так называемые горячие клавиши “Ctrl”+”C”). Затем заходим в иное приложение и осуществляем действие вставки (“Ctrl”+”V”). Отрицательная сторона данного способа заключается в том, что в любом случае нужен исходный символ. А так бывает далеко не всегда.
Обозначения и символ диаметра
Диаметр имеет несколько сокращенных обозначений.
Например, если речь идет о математике, то в ней чаще всего употребляется латинская буква «D». Причем допускается как прописное написание этой буквы, так и строчное – «d». Второй вариант даже чаще встречается в задачках.
Например, это может выглядеть так:
d = 12 см или D = 12 см
А вот если говорить о бытовом понятии «диаметра», то тут уже чаще используется другой символ. Это – перечеркнутая буква «О».

Именно такой знак вы наверняка увидите, когда речь идет о трубах, о размере сверла и так далее. И записываются они так:
Ø6, Ø8, Ø12, Ø15, Ø20, Ø100
По умолчанию считается, что подобные обозначения всегда считаются в миллиметрах.
Стоит сказать, что символа «Ø» нет на обычной раскладке клавиатуры. И чтобы напечатать его в тексте, нужно или открыть специальный раздел «дополнительные символы» в программе Word, или просто скопировать откуда-нибудь, а потом вставить.




























